

LD型-電動單梁起重機 LD型(xing)電(dian)(dian)動單梁(liang)起(qi)(qi)(qi)重(zhong)(zhong)(zhong)(zhong)機(ji)(ji)是按(an)標準JB/T1306-1994設(she)計制造(zao)的,與CDI,MDI 等形式(shi)的電(dian)(dian)動葫蘆(lu)配(pei)(pei)套使用,成為(wei)(wei)一種有(you)(you)軌運行的輕小型(xing)起(qi)(qi)(qi)重(zhong)(zhong)(zhong)(zhong)機(ji)(ji),其(qi)適(shi)(shi)用起(qi)(qi)(qi)重(zhong)(zhong)(zhong)(zhong)量為(wei)(wei)1-16t,適(shi)(shi)用跨度(du)(du)為(wei)(wei)7.5-22.5米,工(gong)作級(ji)別為(wei)(wei)A3-A5,工(gong)作環境(jing)溫度(du)(du)在-25-+40℃范圍內。本產品為(wei)(wei)一般用途起(qi)(qi)(qi)重(zhong)(zhong)(zhong)(zhong)機(ji)(ji),多用于機(ji)(ji)械制造(zao)、裝配(pei)(pei)、倉庫等使用頻度(du)(du)低或額定起(qi)(qi)(qi)重(zhong)(zhong)(zhong)(zhong)量起(qi)(qi)(qi)吊次數少(shao)的場(chang)所。有(you)(you)點(dian):訂貨周期短、經濟(ji)實惠;缺點(dian):有(you)(you)效起(qi)(qi)(qi)升高度(du)(du)相對(dui)較低,使用中晃動相對(dui)較大,工(gong)作級(ji)別低,不適(shi)(shi)用繁重(zhong)(zhong)(zhong)(zhong)車間。本起(qi)(qi)(qi)重(zhong)(zhong)(zhong)(zhong)機(ji)(ji)設(she)有(you)(you)底面、操(cao)(cao)縱室(shi)、遙控三種操(cao)(cao)縱形式(shi),操(cao)(cao)縱室(shi)又設(she)有(you)(you)端面及側面開門(men)兩種形式(shi),以(yi)供(gong)用戶選擇(ze)使用。
產品簡介 本產品規格便是方法如如下: (1)地面操縱 例:起重量:3t,跨度:10.5m,起升高度6m,工作級別A3 表示方法:LD310.56DA3 (2)操作室操縱(分開式操縱室KS和閉式操縱室BS) 例:起重量:5t,跨度:16m,起升高度6m,工作級別A3,開式操縱室操縱表示方法:LD5T S16 H6 A3 本產品廣泛用于工廠、倉庫、料場等不同場合吊運貨物,禁止在易燃、易爆腐蝕性介質環境中使用。
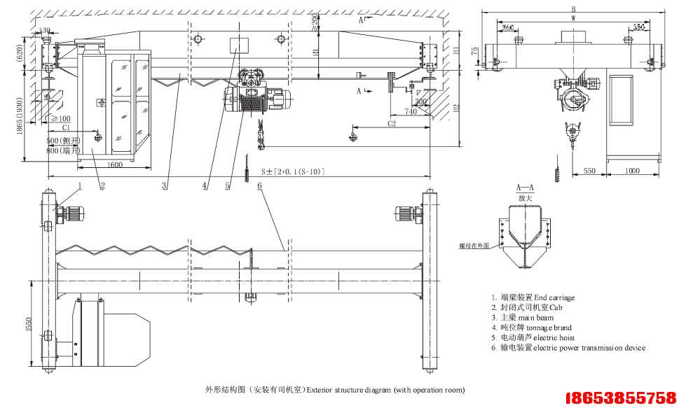
本產品設有地面和操作室兩種操作形式。操縱室有開式、閉式兩種,可根據實際情況分為左或右面安裝兩種形式,入門方向有側面及端面兩種,以滿足用戶在各種不同需要的情況下進行選擇。 技術規格表 Technical Specifications 名稱 | 單位 | 規格 | 額定起重量 Load: | Gn | 1T,2T,3T,5T,10T,16T,20T | 跨度 Span: | S | 7.5m-30m | 提升高度 Lifting Height: | H | 6m-30m | 工作級別 Class: | jc | A3 | 電源 | | 380V 50HZ | 大車輪直徑 | mm | 300 | 工作電源 Power source | | 3p A.C 50HZ 380V | 推薦軌道 | KG | 18-38 |
注:Gn=起重額定噸位 S=跨度(左軌道中心至右軌道中心的距離) H=提升高度(地面至吊鉤最高點的距離) 中華人民共和國特種設備制造許可證 |