  

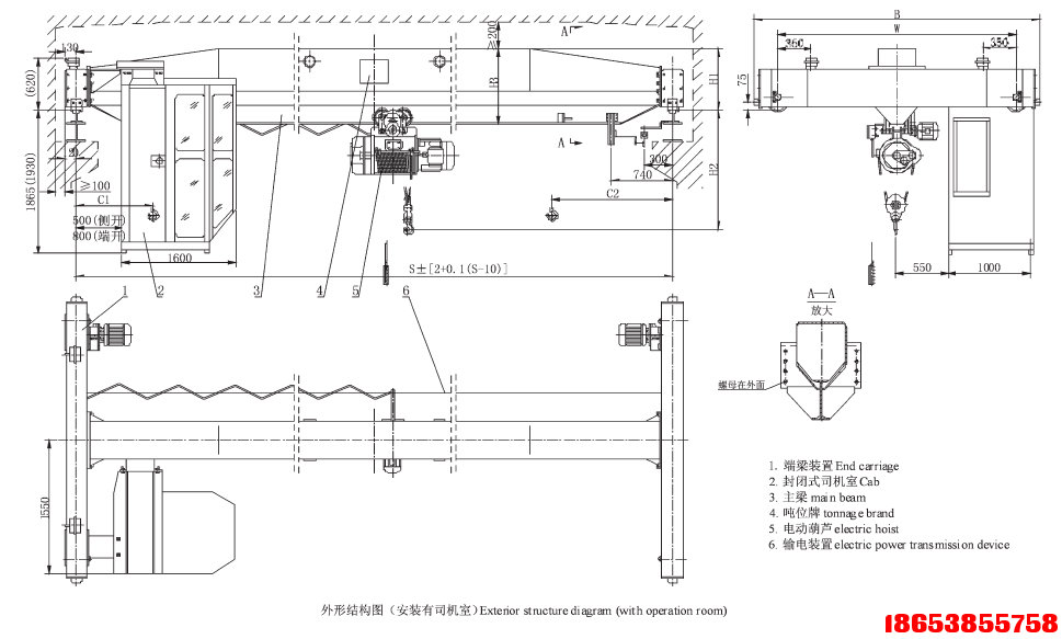
LD型(xing)-電動單梁起重(zhong)機 LD型電動(dong)單梁起(qi)(qi)(qi)(qi)重(zhong)機是按標準(zhun)JB/T1306-1994設(she)計(ji)制(zhi)造的(de),與CDI,MDI 等形式的(de)電動(dong)葫(hu)蘆配套使(shi)(shi)(shi)用(yong),成(cheng)為(wei)一(yi)(yi)種有軌運行的(de)輕小型起(qi)(qi)(qi)(qi)重(zhong)機,其適(shi)用(yong)起(qi)(qi)(qi)(qi)重(zhong)量(liang)(liang)為(wei)1-16t,適(shi)用(yong)跨度為(wei)7.5-22.5米,工(gong)作級(ji)別為(wei)A3-A5,工(gong)作環境溫度在-25-+40℃范圍內。本產品(pin)為(wei)一(yi)(yi)般用(yong)途起(qi)(qi)(qi)(qi)重(zhong)機,多用(yong)于(yu)機械(xie)制(zhi)造、裝配、倉庫等使(shi)(shi)(shi)用(yong)頻(pin)度低(di)或額定起(qi)(qi)(qi)(qi)重(zhong)量(liang)(liang)起(qi)(qi)(qi)(qi)吊次數少的(de)場所。有點(dian):訂貨周期短、經(jing)濟實惠;缺點(dian):有效起(qi)(qi)(qi)(qi)升高度相對較低(di),使(shi)(shi)(shi)用(yong)中晃(huang)動(dong)相對較大,工(gong)作級(ji)別低(di),不適(shi)用(yong)繁重(zhong)車間。本起(qi)(qi)(qi)(qi)重(zhong)機設(she)有底面(mian)、操(cao)縱室、遙(yao)控三(san)種操(cao)縱形式,操(cao)縱室又設(she)有端面(mian)及側面(mian)開門兩種形式,以供用(yong)戶(hu)選擇使(shi)(shi)(shi)用(yong)。
產品簡介 本產品規格便是方法如如下: (1)地面操縱 例:起重量:3t,跨度:10.5m,起升高度6m,工作級別A3 表示方法:LD310.56DA3 (2)操作室操縱(分開式操縱室KS和閉式操縱室BS) 例:起重量:5t,跨度:16m,起升高度6m,工作級別A3,開式操縱室操縱表示方法:LD5T S16 H6 A3 本產品廣泛用于工廠、倉庫、料場等不同場合吊運貨物,禁止在易燃、易爆腐蝕性介質環境中使用。
本產品設有地面和操作室兩種操作形式。操縱室有開式、閉式兩種,可根據實際情況分為左或右面安裝兩種形式,入門方向有側面及端面兩種,以滿足用戶在各種不同需要的情況下進行選擇。 技術規格表 Technical Specifications 名稱 | 單位 | 規格 | 額定起重量 Load: | Gn | 1T,2T,3T,5T,10T,16T,20T | 跨度 Span: | S | 7.5m-30m | 提升高度 Lifting Height: | H | 6m-30m | 工作級別 Class: | jc | A3 | 電源 | | 380V 50HZ | 大車輪直徑 | mm | 300 | 工作電源 Power source | | 3p A.C 50HZ 380V | 推薦軌道 | KG | 18-38 |
注:Gn=起重額定噸位 S=跨度(左軌道中心至右軌道中心的距離) H=提升高度(地面至吊鉤最高點的距離) |